ballbet贝博按钮制造有限公司
首页
关于我们
新闻中心
产品中心
解决方案
主营业务
联系我们
首页
关于我们
新闻中心
产品中心
解决方案
主营业务
联系我们
新闻中心
首页
新闻中心
2026-02-18
这个结果充满了戏剧性的
2026年全明星周末前的那个比赛日,NBA赛场上演了一出令人瞠目结舌的乾坤大挪移,三场看似平常的对决,却在联盟格局中掀起了惊涛骇浪。当蜂鸣器声声响...
2026-02-18
中国驻日本大使馆发布《
鞍山市公安局民警辅警热心帮返乡市民搬运行李,用贴心服务疏导人流、排忧解难。 辽宁公安坚守城市核心区域,聚焦繁华商圈、老旧城区、交通枢纽、重...
2026-02-15
游客称花8499元在三亚订民
游客称花8499元在三亚订民宿被临时毁约,当地通报:已启动先行预赔付机制 2026年2月13日,三亚市海棠区旅游协会发布情况通报:近日,协会关注到有消费...
10
2026-02
长期无偿借用管理和服务对象的住房等问题
为切实防范化解城区摩托车、电动车夜间出行安全风险,有效减少因车辆隐形引发的追尾、剐蹭等交通事故。连日来,天祝县公安局交通管理大队聚焦群众...
10
2026-02
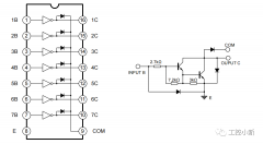
使用单片机来控制蜂鸣器时
从外表来看,无源蜂鸣器是外部可以看到有电路板的蜂鸣器,而有源蜂鸣器则是使用了黑胶封装起来。 接通电源后,振荡器产生的音频信号电流通过电磁线...
10
2026-02
并带来了AI智趣纯电轿车——全新Q
近期奕派007碰撞起火事故引发全网热议,关于车辆起火、门把手未弹出、车门无法开启的质疑声不断。 很多人都在讨论这起发生于2025年3月19日中午的旧闻...
10
2026-02
支路方向采取“右进右出”交通组织
记者2月5日从海口市公安局交管支队获悉,为提升春运期间滨海大道车辆通行效率,公安交管部门将于2月9日12时起,对滨海大道(长滨路至南港)路段交通...
10
2026-02
其力度和持续性远超以往单纯的基建补缺
板块延续强劲势头,板块指数持续走高,多只个股连续涨停。这一轮行情的驱动,源于国内外的双重需求共振。 国家电网宣布十五五期间固定资产投资规模...
首页
上一页
16
17
18
19
20
21
22
下一页
末页
1
2
3
4
5
6
7
8
9
10
11
12
13
14
15
16
17
18
19
20
21
22
23
24
25
26
27
28
共
28
页
137
条
浙江省温州市乐清市七里港电气产业园上浦二路25号
400 811 5522
www.szhxq.com
关于我们
新闻中心
产品中心
解决方案
主营业务
联系我们
Copyright © 2025 ballbet贝博按钮制造有限公司 版权所有.
网站地图